
核心功能与优势

创新电机技术
采用ASIC控制、无刷直流电机和MCU驱动技术,实现高效精准控制

低噪音设计
低运行噪音低,适合安静环境

紧凑模块化结构
节省空间,提升家电设计灵活性

高耐久性
产品經过嚴格运行循环测试

广泛兼容性
适配全球电压频率标准
应用与解决方案
洗碗机用低噪音节能循环泵和排水泵
德昌电机洗碗机专用循环泵与排水泵,集高效水循环、超低噪音与智能节能于一体。采用优化流道与防虹吸结构,确保强劲洗涤力与彻底排污,同时通过减振降噪技术实现静音运行,为现代厨房提供可靠静谧的洁净体验。
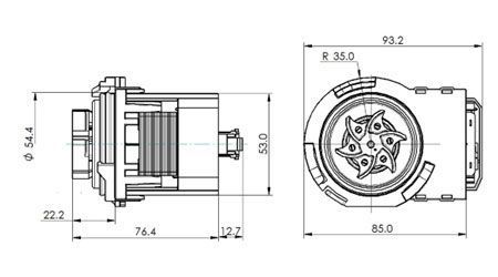
产品详情
洗碗机用低噪音节能循环泵和排水泵
专为洗碗机研发的低噪音节能水泵系统,整合高效循环泵与排水泵。具备专用排污结构、超低噪音运行及智能功率调节功能,在保证洁净效果的同时实现能耗与噪音的双重优化,适用于各类洗碗机解决方案。
- 高效水泵系统
- 专用排污结构与防虹吸设计
- 超低噪音技术
- 智能节能控制平台

产品特性
德昌电机ASIC驱动排水泵 - 精于芯,简于行
核心优势
- § 高可靠性设计:采用专用集成电路驱动,系统精简,元器件数量少,从源头上降低了故障率,寿命周期内性能稳定。
- § 极致成本优化:单速单向的优化设计,结合ASIC的高集成度,实现了极佳的性价比,为客户提供最具成本效益的解决方案。
- § 满足标准应用:专为明确的、间歇性工作的排水场景而设计,精准匹配如洗衣机、洗碗机等家电的标准运行需求,实用性强。
关键技术亮点
- § ASIC 专用芯片驱动:内置定制化集成电路,控制逻辑固化和优化,抗干扰能力强,一致性好,大幅提升批量生产的效率与品质。
- § 稳健的单向运行模式:单向旋转设计,避免了复杂控制逻辑,运行纯粹可靠,特别适合结构紧凑、要求明确排水的应用环境。
- § 精确的寿命管理:基于严苛的测试数据,定义了清晰的持续运行时间与累计寿命参考,助力客户进行精准的产品寿命预测与规划。
常见问题
- § E3320 ASIC驱动排水泵用于洗碗机应用的主要优势是什么?
- § E3320排水泵通过高度集成的ASIC(专用集成电路)设计实现了核心优势。它具有高可靠性,通过减少元器件数量降低了潜在故障点,确保性能稳定;提供卓越的成本优化,单速单向运行模式实现了最佳的性价比;同时完美适配标准应用,专为洗碗机等家电明确、间歇性的排水需求而设计。
- § E3320采用的ASIC技术如何提升其性能和可靠性?
- § 德昌自行研發定制ASIC芯片是其核心技术亮点。与使用标准分立元件的方案相比,固化和优化的控制逻辑显著提升了抗干扰能力和一致性。这不仅提高了性能稳健性,更大幅提升了批量生产效率和品质控制,确保每个单元都具有一致可靠的性能表现。
- § E3320的工作原理是什么?其单向设计如何使我的洗碗机系统受益?
- § E3320基于稳健的单速单向原理运行。这种简洁纯粹的运行模式避免了复杂控制逻辑,使其具有固有的可靠性。该设计非常适合洗碗机紧凑且明确的排水环境,在为家电制造商简化集成过程的同时提供可靠性能。


其它资源
下载产品手册,获取完整产品信息。
需要我们的帮助吗?
让我们联系您


